Q was possibly testing Picard in the episode Q Who, in which in he introduces the Borg. After Picard begs Q for the lives of his crew Q talks about how mo...
So, yes, a puppy can definitely think of you as his “mother” — that is, his provider and protector — and develop as strong an emotional bond with you as i...
Research on how lying affects health is scant, but lying is thought to trigger the release of stress hormones, increasing heart rate and blood pressure. H...
Remedies for Bladder InfectionsSee your doctor for an antibiotic. If you're diagnosed with a bladder infection, your doctor will likely prescribe an ...
SORE THROAT: Moderate to severe sore throat for approximately 1-2 weeks. Voice change, bad breath, and increased secretions in the throat are common durin...
All religions point to a belief in oneness and compassion that says, “We are all in this together. When one is harmed, all are harmed. When one is helped,...
In addition, LG leads the home appliance industry, earning the #1 rating in overall customer satisfaction by the American Customer Satisfaction Index (ASC...
The prostate is located just below the bladder and in front of the rectum. Is the prostate at the top or bottom? The prostate is a walnut-sized gland loca...
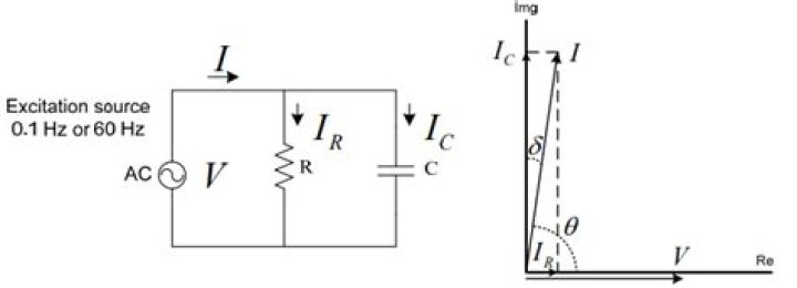
A Tan Delta test is performed by applying an ac voltage to a test cell of known gap, measuring the total current flow through the oil, and separating and ...
Best Ways to Make $5000 Fast. Rent Out Your Space with Neighbor. Delivery Food with Doordash. Start a Profitable Blog. Sell Online Courses. Take Out a Per...